首页
关于我们
联系我们
新闻动态
科技动态
行业资讯
产业融资
专家视角
产品选型
人形机器人
机器人
末端执行器
视觉
安全防护
配件
第七轴
物料传送
机器人工作站
解决方案
软件
服务
控制系统
气动
移动机器人
解决方案
医药
餐饮
实验室
农业
教育
3D打印
物流
包装业
自动售货机
食品
制造业
汽车工业
分析报告
通用报告
供应链
产业生态
核心零部件
本体
系统集成
软件与算法
首页
>
产品选型
>
配件
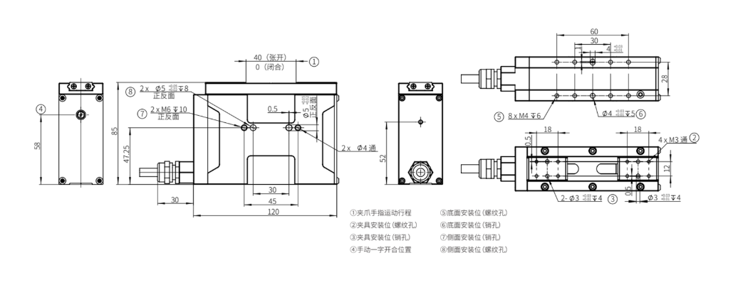
Z-EFG-40-100
商品介绍
商品参数
手机购买
暂无参数
产品推荐
账号登录
注册账号
|
忘记密码
社交账号登录
AI智能助手
转人工
×